Абразивные насадки
К числу недорогих вариантов данного оборудования относятся детали, состоящие из резины и абразивного материала. Их применяют для работы с металлическими изделиями и предметами из нержавеющей стали.
Наборы абразивных насадок обычно имеют в своём составе пять или шесть инструментов
с отличающейся формой рабочей части. Хвостовик такой оснастки равен 2,3 мм.
Некоторые фирмы занимаются производством абразивных насадок разных цветов
, благодаря чему пользователь может довольно быстро разобраться в конкретной категории инструмента. Например, красные абразивные порошки применяют для работы с металлом. Их изготавливают из оксида алюминия.
А вот инструменты, окрашенные в зелёный цвет, предназначены для манипуляций со стеклом, керамикой и камнем. Их напыление производят из карбида кремния. Чтобы обеспечить удобство осуществления разных технологических процессов, рабочая часть абразивных насадок изготавливается в нескольких видах форм
.
Абразивные приборы позволяют выполнять следующие операции:
- Отшлифовка поверхности детали.
- Растачивание отверстий.
- Гравировка и пр.
Их применяют для обработки необходимых материалов в домашних условиях. При этом профессиональные мастера обычно такими инструментами не пользуются, поскольку они не обладают достаточным функциональным потенциалом.
Сборка самодельного устройства
Чтобы иметь возможность использовать насадку от старой бормашины для выполнения мелких работ с изделиями из металла, пластика, древесины и кости, необходимо изготовить приспособление, при помощи которого такая насадка будет приводиться в действие от небольшого электромотора требуемой мощности. В качестве приводного электродвигателя для самодельной бормашины можно использовать маленький, но оборотистый и мощный моторчик от обычного фена или старого видеомагнитофона.
Чтобы передать крутящий момент от электродвигателя валу насадки для гравера, можно использовать пластиковые шестеренки различного размера. Подобными шестеренками, в частности, оснащаются редукторы детских заводных игрушек, а также кинематические схемы бытовой техники различного назначения
Выбирая такие зубчатые колеса, очень важно следить за тем, чтобы они соответствовали друг другу по количеству, форме зубьев и наружному диаметру. Чтобы увеличить мощность рабочей насадки самодельной бормашины, на ее валу необходимо зафиксировать шестеренку большего диаметра, а шестеренку меньшего диаметра закрепить на валу приводного электродвигателя

Подбираем моторчик и шестеренки
Диаметры посадочных отверстий в шестеренках, которые вы подберете для оснащения приводного механизма своей самодельной бормашины, скорее всего, не будут соответствовать размерам валов электродвигателя и рабочей насадки. Решается такая проблема достаточно просто: при помощи сверления в шестеренках посадочных отверстий требуемого диаметра. Чтобы обеспечить плотную и надежную посадку пластиковых шестеренок на валах двигателя и насадки гравера, отверстия следует сверлить меньшего диаметра (на 0,1–0,2 мм), чем размеры самих валов.
Приводной узел вашей самодельной бормашины, состоящий из электродвигателя, двух шестеренок и хвостовой части вала насадки, будет работать корректно и без сбоев, если все элементы такого механизма надежно зафиксировать в соответствующем положении. Решить такую задачу позволяет простейшая приспособа, изготавливаемая из алюминиевой пластины толщиной 2 мм. Такой пластине можно придать совершенно любую конфигурацию (главное, чтобы она не создавала неудобства при работе с самодельной бормашиной).

Рассчитываем и изготавливаем крепежную пластину
В крепежной пластине необходимо просверлить два отверстия, оно из которых предназначено для размещения электродвигателя, а второе – для фиксации рабочей насадки
Очень важно правильно рассчитать расстояние между центрами таких отверстий, которое должно быть равно расстоянию между осями двух используемых шестеренок, находящихся между собой в зацеплении. Если такое расстояние рассчитано и при сверлении выдержано верно, то шестеренки в процессе использования самодельной бормашины будут вращаться без заеданий и проскакивания через зубья. Если отверстие в крепежной пластине, в котором будет фиксироваться рабочая насадка бормашины, выполнить в форме эллипса, можно нивелировать ошибки, допущенные при выполнении вышеописанных расчетов
Если отверстие в крепежной пластине, в котором будет фиксироваться рабочая насадка бормашины, выполнить в форме эллипса, можно нивелировать ошибки, допущенные при выполнении вышеописанных расчетов.

Закрепляем детали и проверяем работу нашего редуктора
Экономный вариант без корпуса
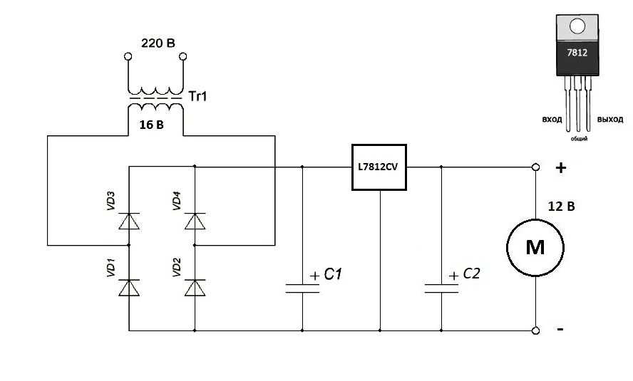
Переходим к созданию мини дрели с минимальными затратами. Не покупаем ничего, кроме собственно моторчика (хотя и его можно бесплатно найти в старой технике). Большинство компактных электродвигателей рассчитаны на постоянное напряжение 12 вольт. Под него и создаем блок питания.
Поскольку никаких дополнительных опций не будет (регулятор оборотов, стабилизатор напряжения), блок питания стабилизируется постоянной нагрузкой. Типичный 12 вольтовый микродвигатель работает с током, не превышающим 2 ампера. Простой расчет показывает, что мощность на выходе должна быть 24 Вт. Добавляем 25% на потери при выпрямлении, получаем трансформатор 30 Вт.
Чтобы получить 12 вольт под нагрузкой, с вторичной обмотки необходимо снять 16 вольт. Изготовить такой трансформатор можно за час, из любого ненужного блока питания. Далее – выпрямительный мост на любых диодах: например, 1N1007.

Нашему мотору ни к чему пульсации выпрямленного напряжения, поэтому на выходе подключаем электролитический конденсатор на 25 вольт емкостью около 1000 мкФ. Он будет сглаживать выходной ток. Несмотря на простоту, такой тандем работает устойчиво, с одним лишь недостатком: при повышении нагрузки напряжение падает. То есть, при равномерном вращении – блок питания выдает 12 вольт. А если вы сверлите «тяжелый» материал – надо следить за оборотами, не давая им опуститься. Иначе вал просто остановится.
Можно немного усложнить схему блока питания, добавив подходящий стабилизатор напряжения. Например, КР142ЕН8Б или L7812CV.

В этом случае падения напряжения при нагрузке на сверло не будет.
Далее нужно изготовить достаточно точный элемент конструкции – патрон для сверла. Не хотите тратить деньги на фабричный цанговый зажим – подойдет любая втулка. Все зависит от сферы применения мини дрели:
Если вы будете сверлить только текстолит печатных плат – смена сверла не потребуется. Значит крепим его стационарно. Переходную втулку можно сделать из чего угодно: трубка от телескопической антенны, игла от медицинского шприца, стержень от гелевой авторучки.

Учитывая миниатюрность конструкции, никакие зажимы не нужны. Все можно закрепить клеем или скотчем.
При универсальном использовании дрели, подразумевающим смену сверла или установку иных насадок, правильнее будет приобрести универсальный цанговый патрон.

Можно использовать стандартный кулачковый патрон, установив его на вал с помощью переходной втулки.

Исполнение корпуса зависит только от вашей фантазии. Большинство мастеров оставляют «голую» утилитарную конструкцию: напряжение питания безопасное, размеры моторчика позволяют удерживать его в руках без корпуса.

Если хочется элементарной эстетики – вариантов множество: и все они условно бесплатны.

Самодельный инструмент не просто экономит финансовые средства. Его можно изготовить в точности под ваши задачи, в отличие от универсальных фабричных вариантов.
Устройство и принцип работы
Главным элементом гравёра является полупроводниковый лазер. Он испускает сфокусированный и очень яркий луч света, который прожигает обрабатываемый материал. Регулируя мощность излучения, можно изменять глубину и скорость прожига.
В основе лазерного диода лежит полупроводниковый кристалл, сверху и снизу которого находятся P и N области. К ним подсоединены электроды, по которым подводится ток. Между этими областями расположен P — N переход.
В сравнении с обычным лазерный диод выглядит великаном: его кристалл можно подробно рассмотреть невооружённым взглядом.
Расшифровать значения можно следующим образом:
- P (positive) область.
- P — N переход.
- N (negative) область.
Торцы кристалла отполированы до идеального состояния, поэтому он работает как оптический резонатор. Электроны, стекая из положительно заряженной области в отрицательную, возбуждают в P — N переходе фотоны. Отражаясь от стенок кристалла, каждый фотон порождает два себе подобных, те, в свою очередь, тоже делятся, и так до бесконечности. Цепная реакция, протекающая в кристалле полупроводникового лазера, называется процессом накачки. Чем больше энергии подаётся на кристалл, тем больше её накачивается в лазерный луч. В теории, насыщать его можно до бесконечности, но на практике все обстоит иначе.
При работе диод нагревается, и его приходится охлаждать. Если постоянно наращивать подаваемую на кристалл мощность, рано или поздно наступит момент, когда система охлаждения перестанет справляться с отводом тепла и диод сгорит.
Существуют полупроводниковые лазеры на 10 и более киловатт, но все они — составные. Их оптический резонатор накачивается маломощными диодами, количество которых может достигать нескольких сотен.
Эксплуатация
Как паять латунь: как выбрать флюс, припой и подходящий инструмент Для того, чтобы показать «способности» дремеля, можно придумать массу сценариев. У меня «в хозяйстве» есть 2 кошки, точнее кот и кошка, так как мы живем в частном секторе, они предоставлены сами себе и ходят в свободном самовыгуле. Если кошка еще не особо активна, то кот настоящий КОТ. Может уйти на неделю, прийти худым но довольным. И чтобы в эти его загульные времена не добавлялось седых волос у его хозяйки, решил попробовать сделать табличку на ошейник, на которой было бы написаны кличка и наш телефон, если кто-то найдет эту зверюгу, когда он сойдет с ума от гормонов и не сможет вернуться домой, то позвонят «его семье». Вообще попытка таких табличек уже была, заказывал у рекламное агенство, сделали из пластика и божились, что качественно… Вот такие Но по факту прослужили они не больше недели и были утеряны-разгрызены.
Достал очень качественные полоски из нержавеющей стали, толщиной 1мм.
Но вот беда, попытался высверлить дырку, и… не спрвился, 5 убитых сверел, разных производителей и 0 эффекта. Думал что и тут меня ждет фиаско. Но дремель порадовал. Зарядил отрезной диск, и давай пилить:)
Выпилил примерную форму
Облагородил немного
С другой стороны
Достал насадки для гравировки из набора и стал пробовать руку…
Ох и кропотливая это работа… Видно что коряво, но это пробный образец. Еще осталось высверлить дырку для кольца от ошейника. Просто сверлом сделать это нереально, поэтому сначала снимал по маленьку шарошкой. А потом когда уже стала видна малюсенькая дырка, «добил» сверлом. В итоге сверло убито:)
Но результат достигнут, хоть и некрасивый, но результат.
Вот диск после всей работы, видно что один раз я психанул и резко дернул, откололся треугольник от диска… вообще диски ghxyst и прекрасно справляются с такой прочной нержавейкой, с калеными саморезами, но хрупкие вот в этом направлении.
Потом решил маленько «шлифануть» поверхность, с этим отлично справилась насадка со шкуркой
Потом маленько облагораживал шарошкой
Еще много работы заняло аккуратная гравировка номера сзади, да вот повесить поделку на кота не вышло, его пол недели уже дома нет… После такой работы вот состояние отрезного диска. было

Стало
Потом делал небольшой столик из фанеры. Но саморезов подходящих не было, были чуть длиннее, чем толщина фанеры. В магазин ехать было лень, столик то не на выставку, себе в помощь.
В итоге это выглядело вот так
ничего приятного тут нет, можно легко поранить руку… поэтому пару легких движений дремелем с отрезным диском и вуаля.
Может фото и не передает, но наощупь нет ощущения что что-то торчит. Все гладенько. Саморез подобный диск срезает за секунды, с фонтаном брызг.
И рассмотрел третий вариант применения чисто в быту. У сына есть «железная дорога». На самом то деле она пластиковая, и в зоне семафора, сын отломил пластиковый рычаг остановки поезда «на красный» просто склеить не прошло… Фото не было там скриншоты из видео поэтому спрятал под спойлер
Если вы когда-нибудь бывали в магазине инструментов, то, возможно, видели Дремель. Это многоцелевой вращательный инструмент с большим количеством приспособлений и насадок. С его помощью можно обрабатывать дерево, металл, стекло, электронные компоненты, пластмассу и многие другие материалы. Этот инструмент прекрасно подходит для занятий рукоделием и мелкого ремонта, им удобно работать в ограниченном пространстве и труднодоступных местах. Освойте Дремель и попробуйте его в деле, и вы по достоинству оцените этот универсальный инструмент.
Несколько полезных рекомендаций
Решая вопрос о том, какой гибкий вал использовать для оснащения своего самодельного гравера, лучше выбирать приводные элементы от стоматологических бормашин. Делать это рекомендуется по той причине, что такие валы, даже снятые со старых бормашин, уже оснащены рабочими насадками с зажимными механизмами цангового типа, в которых очень удобно и надежно фиксируется используемый инструмент.
Между тем у использования гибкого вала от стоматологической бормашины в качестве приводного элемента насадки гравера есть и определенные неудобства. Заключаются они в том, что для стоматологических насадок не всегда можно подобрать инструменты, требуемые при работе на гравировальной установке. Решается такая проблема достаточно просто: многие инструменты для гравера можно изготовить самостоятельно, используя для этого подручные материалы.

Самодельные насадки для гравера
Так, достаточно качественные фрезы для гравировальных установок можно сделать из поломанных сверл, если, используя обычный точильный станок, придать их рабочей части требуемую конфигурацию. Абразивные головки различной формы, которые активно используются при обработке с помощью гравера, можно изготовить из обломков точильного круга средней твердости.
Сначала такие обломки необходимо оснастить хвостовиком, который делается из стальной проволоки диаметром 2,6 мм. Затем такой хвостовик вставляют в предварительно выполненное отверстие в абразивном обломке и замоноличивают в нем при помощи эпоксидной смолы. Последнее, что останется сделать для превращения такой заготовки в полноценный инструмент для гравера, – это придать его абразивной части требуемую конфигурацию при помощи точильного станка, оснащенного кругом высокой твердости.
https://youtube.com/watch?v=89nsMc8TJoE
Краткий обзор торговых марок
Сегодня найти на отечественном рынке граверы и рабочие насадки для их оснащения не представляет никаких проблем. При этом разнообразие представленного в свободной продаже оборудования и инструмента позволяет подобрать их под свои потребности и финансовые возможности.
Насадки профессионального уровня
Тем мастерам, которые занимаются гравировкой по дереву, металлу и другим материалам на профессиональном уровне и уже имеют в своем распоряжении соответствующее оборудование, стоит обратить внимание на рабочие насадки, выпускаемые под торговыми марками «Дремель» и «Декстер». Высокая стоимость такой оснастки для гравера вполне оправдывается ее исключительной надежностью и долговечностью
Еще одним важным преимуществом, которым отличаются фреза, отрезной круг, бур, а также любой другой инструмент данных торговых марок, является высокая точность обработки.

Остановив свой выбор на рабочих насадках «Дремель» или «Декстер», имейте в виду, что один такой инструмент способен прослужить по времени столько же, сколько 10 насадок китайского производства. В пользу приобретения достаточно дорогой, но качественной продукции от известных производителей говорит и тот факт, что в ассортименте данных компаний можно найти насадки различного назначения и типоразмера. Так, это могут быть различные фрезы для бормашинки или гравера, сверла разного диаметра, дисковый инструмент, а также шарошки любых других типов, предназначенные для выполнения работ по дереву, металлу, керамике, стеклу.
Бюджетные модели
Дешевые, но достойные по качеству насадки предлагает отечественный производитель – компания «Зубр». За доступные цены можно приобрести наборы насадок, включающие в себя до 180 инструментов наиболее востребованных типов, конструкций, размеров и форм. В таких наборах есть инструменты для сверления, отрезные диски для бормашины или гравера, фрезерные насадки, шарошки алмазного и абразивного типа, а также многое другое.
Все насадки, входящие в набор торговой марки «Зубр», помещены в пластиковый кейс, обеспечивающий удобство как хранения, так и переноски к месту выполнения работ.
Насадки от китайских производителей
О насадках китайского производства существует двоякое мнение. С одной стороны, их качество и надежность находятся под большим вопросом, с другой – стоят они значительно меньше фирменной оснастки. Китайская фрезерная насадка для гравера, отрезной диск или бур для сверления прослужат недолго, но и выбросить их, учитывая их стоимость, будет не так жалко. Если же за гравером работает профессионал, то даже дешевая китайская фреза не помешает ему выполнить работу качественно (правда, менять такой инструмент ему придется чаще).
Китайские насадки для бормашины или гравера можно порекомендовать начинающим гравировщикам, которые могут с их помощью приобретать свои первые навыки в этом деле.

Доступные цены китайских насадок позволяют приобретать большие наборы «на пробу» начинающим граверам
Как с ним работать: правильная эксплуатация
Чтобы при работе прибором не испортить изделие, нужно знать правила использования и техники безопасности.
Подготовка рабочего места и инструмента
- Выделите стол со свободным пространством.
- Установите мощную лампу, чтобы было видно все мелкие детали.
- Застелите поверхность рабочего стола бумагой или тканью. Во время резки и шлифовки образуется пыль и стружка.
- Запаситесь столярным скотчем, карандашом или фломастером для нанесения рисунка. Скотч нужен для закрепления черновика на поверхности. Бумажную ленту легко отклеивать, она не оставляет следов. Для нанесения узоров на металлической, пластиковой или стеклянной заготовке обезжирьте поверхность спиртом, чтобы фломастер не смылся. На дереве первоначальный рисунок наносите карандашом.
- Подготовьте все необходимые насадки. Для этого ознакомьтесь с инструкцией к прибору. Там есть описание назначения всего расходного материала.
- Если вы купили гравер в комплекте с подвесом, то установите его в удобное место. Он помогает избавиться от вибраций во время работы и уменьшить погрешность. При установке подвеса ориентируйтесь на размещение гибкого вала. Он не должен мешаться.
Как пользоваться
- Наденьте тканевые перчатки, чтобы рука с инструментом легко скользила по поверхности заготовки, и на изделии не появились пятна.
- Если вы новичок, выберите минимальное число оборотов. Тогда узор получится ровным, штрихи будут одной глубины, а материал не повредится. Включите гравер.
- Обведите контур рисунка. По завершении переходите к прорисовке мелких деталей.
- Когда нанесение узора будет закончено, воспользуйтесь насадкой с мягким войлоком. Она обычно идёт в комплекте к граверу. Этой оснасткой убирают шероховатости.
Техника безопасности
- перед работой проверьте целостность сетевого кабеля и рабочих элементов;
- пользуйтесь защитными очками, чтобы искры и пыль не попали в глаза;
- для сверления и резания материалов держите прибор крепко всей кистью руки. Так вы избежите произвольных движений, повреждений рук и рабочего материала;
- если оснастку заклинило, не выдёргивайте её из заготовки. Сначала отключите гравер от сети или извлеките аккумулятор. Потом вынимайте насадку;
- при нагревании корпуса гравера отключите его и подождите, пока он остынет. Если у прибора системы охлаждения нет, то прерываться придётся часто. Так, вы избежите перегрев двигателя. В инструкции описано время работы;
- при покупке расходных материалов отдельно удостоверьтесь в том, что они соответствуют вашему инструменту. Они должны иметь нужный размер хвостовика и подходить к числу оборотов гравера.
Уход
Чтобы инструмент полноценно работал много лет, надо контролировать состояние рабочей оснастки. Если при визуальном осмотре насадок обнаруживаются различные повреждения, замените их на другие той же марки, что и сам гравер. Только так изготовитель инструмента даёт гарантию эффективности работы прибора и долгий срок службы.
После каждого цикла очищайте отверстия для вентиляции в корпусе. С их помощью двигатель дополнительно охлаждается. Но при обработке деревянных, пластмассовых или стеклянных заготовок отверстия засоряются пылью. Образовавшиеся загрязнения влияют на производительность инструмента и становятся причинно его поломки
Чтобы избежать эту неприятность, нужно убирать мусор осторожно с помощью влажной чистой ветоши. Её можно смочить в мыльной воде. Во избежание повреждения корпуса нельзя пользоваться средствами на основе спирта, растворителя и бензина
Оснастку, которая была применена в процессе тоже нужно очищать
Во избежание повреждения корпуса нельзя пользоваться средствами на основе спирта, растворителя и бензина. Оснастку, которая была применена в процессе тоже нужно очищать.
Придерживаясь этих несложных советов, вы будете долгое время пользоваться гравером и получать качественный результат работы.
Регулируемый гаечный ключ
Его суть является гибрид накидного ключа и плоскогубцев. Усилие обычного ключа приходится на вершины грани болта или гайки, что чревато их зализыванию, у данного же ключа имеются штифты из высокопрочной стали, которые основную нагрузку концентрируют на стороны крепежа, что позволяет равномерно распределить нагрузку на всю поверхность головки болта.
Как утверждает создатель этого ключа, он захватывает гайку с усилием в 30 раз большем чем обычный гаечный ключ и способен открутить даже самый закисший болт или гайку со срезанными гранями.
Необычная конструкция ключа обеспечивает надежный захват и предотвращает повреждение головок крепежа, а прорезиненные ручки обеспечивают надежный и удобный хват рукой, очень необычный и интересный инструмент.
Плюсы и минусы дремеля
Многофункциональность гравера, бесспорно, является большим преимуществом. Не нужно покупать несколько отдельных инструментов для разного типа операций. Можно считать, что у дремеля нет конкурентов – он занял прочную нишу на потребительском рынке как отдельное и очень полезное устройство. Им можно выполнять множество различных операций, чему способствует его внушительная комплектация.
От мощности прибора сильно зависит его стоимость. Если нет нужды в большой мощности, лучше подобрать дремель с меньшим ее значением.
Уровень шума достаточно низок, что при длительном использовании также немаловажно. Незначительный уровень вибрации также способствует качеству ответственных работ
Достоинством прибора являются его небольшие габариты и вес, транспортабельность.
Среди недостатков дремелей любительского уровня – необходимость делать частые перерывы для охлаждения двигателя, так как на интенсивное использование годятся только дорогие профессиональные модели.
Главный недостаток аккумуляторных моделей – малое время работы. Обычно оно составляет не более 1 часа.
Преимущества и недостатки инструмента

выполнять разные работы
Как уже упоминалось, разные модели имеют разную мощность. При покупке устройства выбирайте мощность ту, которая наиболее подойдет для видов работ, которые вы планируете выполнять с его помощью.
Еще одно преимущества дремеля – бесшумная работа, что очень важно, если работы будут длительными. Да и уровень вибрации устройства тоже незначителен, поэтому это способствует качественному выполнению работы
Среди прочих плюсов устройства:
- транспортабельность;
- малый вес;
- компактность.
Но есть и данного инструмента и свои недостатки, например:
- необходимость делать перерывы в работе, чтобы охладел двигатель. Интенсивное применение возможно лишь при использовании дорогостоящих профессиональных моделей;
- малое время работы для аккумуляторных моделей (до часа времени).
Классификация и типы дремелей
Такой вид инструмента выпускается большим количеством производителей, конструктивное различие между выпускаемыми моделями — минимальное. На стоимость определённо влияют качество и комплектация конкретной модели.
Кроме того, они могут различаться по мощности электродвигателя (которая бывает от 30 до 185 ватт), количеством оборотов вала, и типа питания. Одни могут работать от сетевого напряжения, а другие имеют аккумулятор в составе конструкции. Аккумуляторными моделями удобно работать там, где отсутствует возможность подключения к сети. Но из числа негативных факторов отмечается их ограничение по оборотам, которое составляет не более 10 тыс. оборотов в минуту.
Из числа наиболее популярных производителей, имеющих спрос на рынке, можно отметить:
- Kinzo.
- Ferm.
- Bosch.
- Skil.
- Hammer.
Приобретая продукцию, выпускаемую этими производителями, следует обращать внимание на тот факт не является ли выбранная модель контрафактом другой страны. Но среди большого количества конкурентов лидером в продажах остаётся бренд Dremel, считающийся прародителем этого вида инструмента и выпускающий свою продукцию на высоком уровне
Принцип и схема работы
Количество оборотов регулируется на крутящемся валу, диапазон регулировки может быть большим, например, от 3 до 35 тысяч оборотов в минуту. В зависимости от характера работы при помощи инструмента можно выполнить замену компонента цанговым зажимом, обеспечивающим надёжное крепление и возможность быстрой замены любого элемента.
Сам аппарат можно повесить на крючок штатива, он же закрепляется на стол, а гибкий вал кладётся в руку, представляя из себя большой карандаш, что многократно повышает уровень и качество выполняемой работы. Если комплектация не подразумевает наличие такого вала, есть возможность купить его отдельно.
Регулятор оборотов даёт возможность смены скорости вращения в любой момент. Например, работы по полировке и шлифовки требуют низкое число вращения вала, а резка и заточка поделки в противоположном случае, максимальное число оборотов.
Комплектация набора
Она может быть различной, в зависимости от модели и производителя. Классический набор, как правило, включает в себя следующие позиции:
- Насадки для гравировки.
- Неармированные отрезные круги различных диаметров.
- Шлифовальные плоские и лепестковые наждачные круги.
- Ось для закрепления отрезных дисков.
- Насадки для полировки.
- Фетровые насадки.
- Насадки для шлифования, которая состоит из резинового валика и стальной оси.
- Бор насадки для разных материалов.
- Свёрла.
- Наждачный камень для заточки.
- Металлические щётки.
- Ключи.
- Струбцина и гибкий вал в дорогих и профессиональных комплектациях.
Расходные материалы по типу отрезных кругов быстро заканчиваются. В наборе их идёт в среднем около 30 штук, и это довольно мало. Рекомендуется сразу приобретать качественные армированные отрезные диски, и в случае планируемых работ — с твёрдыми сплавами металлов, дисков с алмазным напылением, иначе в любой момент под рукой может не оказаться требуемых расходников.
В зависимости от нужной сферы эксплуатации инструмента, некоторые комплектующие могут и не применяться. Производитель не комплектует обычные наборы дремотестера под конкретные задачи, поэтому старается создать его максимально универсальным для выполнения широкого спектра задач. Поэтому в некоторых случаях при изготовлении дремеля своими руками или покупки фабричного, оптимальней будет укомплектовать набор расходных материалов и комплектующих под свои задачи.
Наиболее популярные торговые марки
На современных рынках представлен широкий ассортимент насадок для граверов. Благодаря этому можно подобрать именно те инструменты, которые будут соответствовать финансовым возможностям и необходимым в конкретном случае потребностям.
Если говорить об оборудовании профессионального уровня, к числу наиболее популярных и востребованных торговых марок относятся «Декстер» и «Дремель
». Продукция этих фирм может эффективно использоваться для обработки металла, дерева, стекла и прочих материалов.
Хоть эти приборы и отличаются высокой стоимостью, однако они являются довольно надёжными и долговечными
в использовании. Одна насадка этих торговых марок способна прослужить в десять раз дольше, чем её китайский аналог. Кроме того, эти инструменты обладают высокой точностью обработки.
В качестве бюджетной торговой марки стоит обратить внимание на фирму «Зубр
», предлагающую за относительно небольшую сумму купить набор, включающий до 180 единиц всевозможных насадок с различной формой, размерами и конструктивными особенностями. Такие наборы снабжены инструментами для сверления отверстий, фрезеровочными, алмазными и абразивными насадками, отрезными дисками
Что касается оборудования от китайских производителей, то о них существует весьма неоднозначное мнение. Хоть они и стоят в несколько раз меньше высококачественных приборов, однако, такие инструменты не могут похвастаться своей надёжностью
.
Более того, в составе китайских наборов содержится значительно меньше компонентов, нежели в фирменных вариантах. Однако профессионалы своего дела в принципе смогут справиться и с таким оборудованием. Правда, менять инструменты придётся часто.
Изготовление насадок своими руками
Чтобы осуществлять несложные гравировальные работы в домашних условиях, необходимые инструменты можно изготовить из подручных материалов.
К примеру, простейшую фрезу делают из рифлёного колеса от зажигалки
либо дюбеля, на котором предварительно прорезают рабочие зубья.
Для изготовления шлифовальной насадки достаточно будет воспользоваться деревянным барабаном, оборудованным хвостовиком с приклеенной к его боковой поверхности наждачной бумагой.
Большинство насадок, созданных своими руками, неплохо справляются с поставленными перед ними задачами. При этом затраты на них оказываются минимальными.
Какой вариант оборудования выбрать, полностью зависит от требований и возможностей мастера
, будь то инструмент китайского производства, самодельный или же профессиональный прибор.
Для обработки мелких изделий часто применяется микродрель, которую называют гравером. При помощи гравера можно выполнять те же операции, что и обычной дрелью, а также шлифование и фрезерование различных материалов. Частота применения и востребованность инструмента определяется количеством и качеством имеющихся к нему насадок. Часть их них идёт в комплекте с основным инструментом, но многое приходится приобретать дополнительно. Сегодня, мы постараемся узнать о насадках для гравера всё что можно.
Советы мастеров
Начинающие мастера, желающие сэкономить на покупке инструмента, могут сделать бормашину собственноручно. Для этого понадобится электромотор, снятый со старой машины для стирки или какой-то другой двигатель, обязательно мощный. Не обойтись без ременной передачи, которая должна соединиться с рукавом бормашины. Последний, как и наконечники, придется докупить отдельно.
Самодельная бормашинка
Самодельный гравер можно заменить дрелью и шуруповертом. В этом случае придется приобрести гибкий вал, который будет присоединен к инструменту, а также специальная насадка, выполняющая роль крепления. Получившаяся бормашинка сможет выполнять тонкие узоры, но мощность ее будет небольшой. Работающим с самодельным устройством стоит позаботиться о штативе, чтобы вешать на него инструмент и манипулировать насадками через гибкий вал.
Самодельным гравером можно создавать тонкие надписи и узоры, обрабатывать металлические, пластиковые и костяные детали.
Немного полезных рекомендаций:
- В работе удобно использовать древесину липы, бука, ольхи или груши. Выбирая сосновую и ясеневую заготовку, нужно быть готовым к тому, что качественный рисунок на ней не получится;
- Фон, на крупных заготовках выполняется насадкой с ограничителем;
- Глубину прорези выбирается перед началом работы. Не ошибиться с ней поможет небольшая деревяшка, на которой можно поработать бормашиной.
Упростить и сделать более точным процесс гравировки помогает трафарет. Для начала работы нужно перенести с него на заготовку выбранный узор и дорисовывать его при необходимости.
Бормашина позволяет делать надписи на дереве, а также разной сложности узоры
Бормашина для резьбы по дереву позволяет осуществлять нанесение художественных надписей и рельефных изображений на поверхность материала. Однако новичкам в этом деле необходимо знать технологию выполнения работы. В решении данного вопроса помогут советы от мастеров, а также последовательная схема резьбы по дереву бормашиной с использованием эскизов.
Дрель из зубной щетки
На первый взгляд – звучит абсурдно. Но речь пойдет об электрической щетке, внутри которой вполне надежный моторчик. Достаточно добраться до стального вала, на который одевается редуктор с вращающимися щетинками, и заготовка у вас в руках.
На вал одевается все тот же цанговый патрон, а вместо батареек устанавливаются аккумуляторы. Или можно приспособить подходящий сетевой блок питания.

Сверлить стены таким прибором не получится, а вот отверстия в печатной плате – запросто. В принципе, можно использовать любой компактный электроприбор, у которого удобно расположен вал двигателя. Например, старую электробритву.
Описание и конструкция дремеля
Такой инструмент, как дремель, многие называют по-разному. И гравером, и мини-дрель, и прямошлифовальным прибором. Принцип работы инструмента заключается в том, что при своем небольшом размере скорость вращения на валу достаточно высокая. Свое название дремель получил от торговой марки, которая впервые представила миру этот инструмент. Он хорош тем, что с его помощью можно выполнять разные действия и задачи по резке как бытового, так и промышленного характера.
Дремель включает в себя такие элементы:
- электродвигатель;
- патрон и рабочую насадку;
- корпус из пластмассы.
Двигатель инструмента охлаждается благодаря пластиковой крыльчатке, находящейся на шпинделе, а поток воздуха создается посредством наличия воздухозаборных отверстий на корпусе прибора. Сам корпус при этом имеет эргономическую форму, которая помогает держать прибор удобно, чтобы рука при этом не уставала.
В некоторых моделях дремеля двигатель размещен не внутри, а снаружи, и представляет собой подвесной мотор, оснащенный гибким валом. Чаще всего такую конструкцию имеют профессиональные инструменты с ударными и быстрозажимными наконечниками.
А есть и конструкции, где регулятор скорости валового вращения отсутствует, хотя лучше выбирать инструмент вместе с ним. Регуляторы бывают электронными, они лучше подходят при выполнении высокоточных работ или простыми на основе реостата. Регулировка при этом может иметь фиксированное значение, плавное или согласно заданному диапазону.
А еще некоторые модели прибора оснащен коробкой или кейсом, где удобно хранить все насадки и детали, которые идут в комплекте с ним.


























