Маленькая голубятня своими руками. 8 фото
Любителям содержать голубей поначалу может хватить и одной маленькой голубятни. Отсюда и опыт появится, и возможное взаимопонимание голубей с человеком хотя бы на доверительном уровне. А дальше как получится; если понравится, почему бы и не расширить столь увлекательное занятие до более грандиозных масштабов?
Столь небольшая голубятня подойдёт для одного голубя. Сделать её легко, но лучше попросить помощи у мастера по дереву, иначе можно потратить впустую не один час. Двухместная голубятня. Делается по принципу одноместной, но только для двоих. Гнездо, одновременно насест на небольшой высоте. Без дверок и решётки.Десятиместная голубятня. Подходит для средних семей и занимает мало места. Альтернативный вариант с металлической основой для средней семьи. Голубятня, обделанная сеткой, прикреплённая сбоку к дому. Оригинально и очень сложно. Не самая вместительная модель, однако поможет не замёрзнуть зимой и от порыва ветра
Голуби тоже нуждаются в тёплом доме, поэтому так важно, чтобы о них позаботились
Читать полностью (ссылка)
Внутренне убранство в домашней голубятне
Предпочтительней всего обить стены деревянными досками или фанерой, при этом следить, чтобы между ними не было щелей. Если они будут лежать вплотную, то это существенно облегчит уборку и даст возможность избежать сквозняков.
Для содержания голубей желательно изготовить специальные полочки размером примерно 75х35 см, на которых расположатся гнезда и насесты, а также ящики тех же размеров, в которых птицы тоже могут жить. Т.к. на обычном балконе немного места, то нужно выбрать что-нибудь одно, и, скорее всего, это будут ящики, стоящие друг на друге. Их можно будет установить от пола до потолка балкона.
Изображения на чертеже детали
Правила выполнения изображений на чертежах устанавливает ГОСТ 2.305–2008.
Перед выполнением чертежа детали предстоит определить количество изображений, выбрать главный вид, содержание всех изображений.
Количество изображений на чертеже детали зависит от ее сложности и должно быть минимальным, но достаточным для выявления формы и конструктивных особенностей деталей. Также оно во многом зависит от правильного выбора главного вида.
Главный вид (вид спереди) — изображение, которое дает наиболее полную информацию о форме и размерах детали. Главный вид ориентируют по отношению к основной надписи таким образом, чтобы было удобно пользоваться чертежом при изготовлении и контроле параметров детали.
Для деталей, форма которых представляет собой совокупность соосных тел вращения, достаточно одного изображения с указанием знака Ø (рис. 3). Ось симметрии располагается горизонтально, параллельно основной надписи чертежа, что соответствует положению детали при ее обработке.
Детали, ограниченные поверхностями вращения разного диаметра, обычно вычерчивают так, чтобы участки с большими диаметрами на внешней части располагались левее участков с меньшими диаметрами. Это соответствует расположению детали на станке при токарной обработке.
При наличии сквозных отверстий на изображении целесообразно совместить половину вида и половину разреза (при полной симметрии изображения), рис. 3 и 4.

Рис. 3. Деталь, образованная телами вращения: а — модель; б — половины вида и разреза, разделенные линией оси (по центру)

Рис. 4. Деталь, образованная телами вращения при наличии проекции ребра, совпадающей с осью: а — модель; б — вид и разрез, отделенные линией обрыва
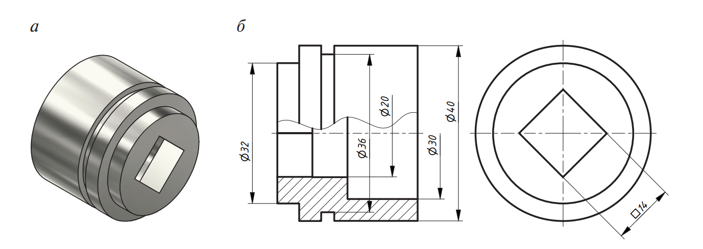
Если деталь имеет гранные поверхности, то на главном виде должно быть изображено максимальное число граней. Для шпоночного паза нужно показать его форму в проецирующем положении и вынесенное сечение для определения его глубины (табл. 2).
Таблица 2. Изображение некоторых элементов деталей на чертеже
| Элемент детали, наименование элемента детали | Необходимые виды и разрезы некоторых элементов деталей | |
| Главное (или обязательное) изображение на одном из основных видов | Вид слева, разрез или сечение | |
Лыска |
Главное изображение дает максимальное количество поверхностей — это две поверхности, плоскость и цилиндрическая поверхность |
Вид с размером под ключ |
Шестигранная призма |
Максимальное количество поверхностей — 3 грани |
Вид с размерами под ключ |
Паз |
Вид паза (проецирующее положение) и размеры, задающие положение и параметры паза |
Поперечный разрез показывает, что паз — сквозной |
Внешняя проточка и фаска |
Проточка на виде показывается упрощенно. Ее форма и размеры выявляются с помощью выносного элемента |
Размеры проточки берутся из таблицы ГОСТ 10549–80 |
Внутренняя проточка и фаска |
Проточка на виде показывается упрощенно. Ее форма и размеры выявляются с помощью выносного элемента |
Размеры проточки берутся из таблицы ГОСТ 10549–80 |
Массив одинаковых элементов (круговой или прямоугольный), на рисунке четыре отверстия, расположенные на окружности |
Отверстия на чертеже следует показывать в продольных разрезах |
При равномерном расположении одинаковых элементов ограничиваются изображением одного и указанием их количества. Цель профильной проекции — показать расположение отверстий, диаметр центров отверстий, количество и размер отверстий |
Просмотров: 434
Виды голубиных птичников
Прежде, чем приступить к рассмотрению процесса постройки, рассмотрим, какие существуют разновидности голубятни.
Навесная голубятня
Эту разновидность можно назвать сельским эконом-вариантом. Именно такую часто строят любители, чтобы содержать внутри непородистую птицу в малом количестве, одну-три пары. Внешний вид такого птичьего домика напоминает обыкновенный ящик из дерева, который крепится к наружной стене дома, под самой крышей.
Представляем сравнительную таблицу достоинств и недостатков навесных голубятен:
| достоинства | недостатки |
|
|

Навесная голубятня не подходит для качественного разведения голубей
Говоря конкретно, навесные голубятни не подходят для разведения. К их безусловным плюсам относятся низкая стоимость материалов и простота изготовления конструкции, поэтому они и пользуются в селах большой популярностью. Однако, послужить для птиц убежищем от мороза или ветра такие птичники не могут, как не могут и спасти от нападения хищных зверей или птиц. Помимо прочего, их расположение настолько затрудняет процесс ухода за птицей, что со временем отбивает всякое желание заниматься этой отраслью птицеводства. Высокая смертность птенцов во многом объясняется наличием подвесной голубятни, ведь постоянно отслеживать их здоровье и развитие просто не получается.
Башенная голубятня
Такая голубятня ни в какое сравнение не идет с навесной, так как является более практичной и подходит для разведения породистых птиц. Обычно она возводится в виде высокого строения, которое может достигать 4 метров, в виде башенки округлой формы.

Как выглядит башенная голубятня
Внутри башенной голубятни принято следующее расположение жилых голубиных секций по этажам:
- первый этаж отдается под склад оборудования и корма для голубей;
- второй и последующие этажи заняты гнездами.
Представляем сравнительную таблицу плюсов и минусов башенного голубеводства.
| достоинства | недостатки |
|
|
Башенная конструкция птичника привлекательна своей безусловной практичностью, она прекрасно подходит для достижения разведенческих целей птицевода. Однако, цена материалов, которые потребуются на ее возведение, ударит несостоятельного фермера по карману, вдобавок потребовав от него существенных трудозатрат.

Оригинальная башенная голубятня из бочки
Голубятня на чердаке
Самое оптимальное и удобное расположение голубятника для успешного разведения. Чердачное обустройство голубиного жилища не требует серьезных вложений и тяжелой физической работы, так как помещение под крышей будет необходимо дополнить только зоной выгула птиц.
Лучше всего, когда голубиный чердак располагается на крепкой придомовой постройке, на первом этаже которой можно держать инструменты, птичий корм и другие приспособления. Здание должно быть утепленным.

Чердачная голубятня с просторной зоной выгула
Оговорим достоинства и недостатки чердачных голубятен.
| достоинства | недостатки |
|
Как видите, плюсов у такого способа размещения голубятни подавляющее количество. Что касается уборки, проводить ее придется в любом случае, этот минус сопровождает разведение птиц в любом помещении. Далее рассмотрим строительство голубятни в виде надстройки чердака над придомовым помещением и башенной голубятни.
Обустройство голубятни внутри. 9 фото примеров
Как выглядит голубятня внутри? Как всё сделано, чтобы голубям было удобно? Внутреннее обустройство голубятен — интересное и познавательное путешествие, которое не оставит никого равнодушным. То, что люди могут так стараться ради другого вида, заслуживает уважения.
Как можно заметить, голубям очень комфортно. Насесты, кормушки, и главное, просторно.Голуби сами наполняют гнёзда травой на своё усмотрение. Сразу видно, это у них в крови.Если присмотреться, можно заметить несколько разных пород. А сколько их во всём мире!Создаётся умиляющая картина, когда наблюдаешь за тем, как хорошо они себя чувствуют внутри сооружения.Голуби и сено примерно то же самое, что люди и одеяло. Принцип привязанности очень похож. Сложно сказать, где они чувствуют себя лучше. Чердак связан с высотой, а земля с теплом. Лучше делать больше насестов сверху, а снизу поменьше. Голуби стремятся ввысь.Наружные голубятни подходят летом, но не зимой, не в холодное время года.Чёрные, белые, и с оттенками, они прекрасные и в то же время хрупкие. Безусловно, их нужно беречь.
Гнезда
Для размещения гнезд удобнее всего использовать стеллажи из досок. Их делят перегородками на несколько отделений. Тыльную сторону закрывают фанерой. На фронтальной части можно прибить невысокую перегородку (около 8 см — она не даст гнезду упасть).
Самки самостоятельно вьют гнезда из имеющихся материалов (стоит обеспечить их ими, принеся в голубятню сено, солому, тонкие веточки). Можно разместить в отделениях деревянные ящички (30х25х8 см) или гипсовые плошки.
Голубятня на чердаке
Если у заводчика есть жилой или нежилой, но утепленный дом со свободной мансардой или чердачным помещением, оптимальным вариантом будет создание голубятни на чердаке.
В отличие от варианта с навесным коробом, этот не представляет опасности для самих пернатых.
Конструкция обладает следующими особенностями:
- основная часть голубятни, в том числе кормушки, секции для расположения гнезд и место для человека, который будет проводить уборку, расположены внутри чердачного помещения;
- дополнительно пристраивается зона выгула, которая представляет собой балкончик с сеткой, закрывающей доступ со всех сторон;
- доступ к чердаку не через приставную лестницу, а при помощи собственной лестницы дома, что удобно для заводчика.
Данный способ постройки — наименее трудозатратный. Достаточно обустроить зону для выгула, создать отверстия для выхода в нее, а также расположить места для гнезд и кормушки.
Сделать голубятню не то чтобы дело принципа, это ближе к искусству архитектуры. Практика без теории неприменима в конструировании чего угодно, вплоть до собачьей будки. Чертежи и будут теорией. Чтобы приступить к практике, следует помнить про «глаза боятся, а руки делают».
Навесная голубятня. Как следует из названия, её следует повесить; как правило, навесная модель небольшая, а потому проста в изготовлении и предназначается небольшой семье.Каркасная модель. Здесь поместится уже намного больше двух голубей. Башенная модель. Построить такое сложно, но в компании опытных людей нет ничего невозможного.Схема постройки голубятни для очень большой семьи.Вариант для комфортного проживания голубей на даче.Коньковая голубятня — для тех, кто хочет держать голубей на чердаке.Три вида гнёзд для голубей. При желании, можно построить самостоятельно. Однако необязательно за один день. Рекомендуется выбрать понравившийся стиль гнёзд, составить план и грамотно ему следовать, без спешки. Поспешишь —голубей насмешишь. Полки для голубей.Голубятня с вольером. Наиболее удобный и вместе с тем компактный вариант.Простая схема для обычной голубятни.
Отдельно стоящая голубятня
Такой вариант может представлять собой как небольшой домик традиционной конструкции, так и круглую башню. Высота обычно находится в пределах 4 м — это позволяет оборудовать 2 яруса — технический, где хранится инвентарь, и жилой, с гнездами для птицы, кормушками, поилками.
Отдельно стоящий домик имеет преимущества перед навесной конструкцией — обитать там птицы могут круглый год, они полностью защищены от погодных факторов и от хищников. Минусы: значительные финансовые и трудовые затраты на строительство башни. При отсутствии строительных навыков придется нанимать бригаду — дополнительные расходы увеличивают итоговую сумму.
Транспортировочные ящики и поддоны для зелени
Специалисты рекомендуют изготовить и установить в голубятне небольшие переносные поддоны с почвой, в которые высаживаются злаковые растения. Они должны быть удобны для перемещения и не превышать в высоту 7-8 см.
Летом мобильные клумбы выносятся в открытый вольер, а с наступлением холодов устанавливаются в птичнике, где существует подогрев и дополнительное освещение.
Голубятню невозможно представить без клеток для перевозки птиц на дальние расстояния. В зависимости от породы перевозимых голубей они могут иметь различные размеры.
Обычно в клетках перевозится пара голубей, поэтому они имеют продольную перегородку с отдельной секцией для каждой птицы. При транспортировке пернатые должны чувствовать себя комфортно, но не иметь возможности разворачиваться, нарушая целостность оперения.

Если вы планируете держать птиц в такой клетке более 3 часов, то ее нужно оборудовать автоматической кормушкой и поилкой. При необходимости содержать пернатых в транспортировочном ящике более суток, он должен иметь объем из расчета 0,5 куб. м воздуха на пару особей.
Голубятня на чердаке своими руками
В зависимости от того, какой материал использовался для строительства домика-основания, чердачное помещение может возводиться из:
- дерева;
- кирпича;
- железа.
В случае с каждым из выбранных материалов существуют свои нюансы.

Чертеж деревянной голубятни
Деревянная постройка требует шпатлевания внутренних стыков, мест соединения с крышей, а также обшивки помещения изнутри листами фанеры, чтобы внутренний микроклимат не нарушался сквозняками и излишней влажностью извне. Стены из кирпичей шпатлюются подобным образом, однако, в обшивке фанерой не нуждаются. Металлическая надстройка изнутри по всей площади обшивается деревянными досками, затем фанерными листами небольшой толщины.
Параметры будущей голубятни
Существуют основные параметры, которые необходимо соблюдать при постройке голубятни.
- На каждую пару голубей внутри птичьего жилища должно приходиться не менее 50 кубических сантиметров.
- Помещение разбивают на отделения, чтобы держать отдельно различные породы птиц или разделить их по возрасту.
- Вместительность каждого отделения составляет не более 15 пар голубей.
- Зимой птиц рассаживают по половой принадлежности;
- Обязательно наличие отделения для молодняка.
- В строительном проекте учитывают место для размещения кормушек и поилок.

Чердачная голубятня, построенная своими руками
Высота будущего голубиного жилища должна составлять не менее двух метров. Наружная зона выгула обычно выстраивается в виде равностороннего квадрата. Чем крупнее голуби, которых вы разводите, тем она больше.
От размеров птицы зависит и место расположения летка. Породы спортивной направленности нуждаются в его размещении примерно на уровне 1,5 метров от пола, мясные птицы – а высоте в 30 сантиметров.
Приступаем к постройке
Стены
Прежде всего, необходимо выстроить стены. Если в качестве строительного материала выбрано дерево, соберите из брусков каркас будущего помещения и обейте его досками изнутри и снаружи.

Стены в голубятне обивают досками
Пол
Пол голубятни выполняют из настланных друг за другом деревянных досок. В зимний период его необходимо засыпать соломой или мягкими опилками, чтобы повысить уровень тепла внутри помещения и защитить птиц от различных заболеваний.

Зимой пол в голубятне засыпают соломой или опилками
Крыша
Теперь необходимо сделать каркасную решетку для крыши. В качестве покрытия можно использовать любой материал, главное, сделать гидро– и теплоизоляцию, чтобы избежать проникновения внутрь ветра и дождя.

Крыша голубятни должна быть защищена от протечек воды с помощью гидроизоляции
Окна
От правильного размещения окон также зависит самочувствие голубей и нагрев помещения. Расположив окошки на восточной и южной стороне строения, вы подарите пернатым подопечным много света и тепла.

Окна в голубятне располагают с восточной или южной стороны
Зона выгула
Сооружаем леток. Выглядит этот элемент постройки, как небольшая площадка, на которую голуби могут приземляться и с нее же взлетать.

Леток в голубятне
Теперь необходимо соорудить саму зону выгула. Обычно она производится из мелкоячеистой металлической сетки. Будет хорошо, если размер зоны выгула будет соответствовать стороне крыши, на которой он расположен. Половую зону выгульного помещения можно устлать тонкими листами фанеры прямо поверх сетки.

Зона выгула в голубятне
Чтобы в летнее время голуби могли вылетать на прогулки, сделайте еще один леток снаружи выгульной зоны.
Цены на сетку рабицу для ограждения голубятни
Сетка рабица
Вентиляция
Одно из условий здорового содержания любой птицы – хорошая вентиляция помещений. Наименее затратный способ обустройства системы проветривания – дополнительная сетчатая дверь в помещение, которая крепится следом за деревянной изнутри помещения. Когда в домике будет жарко, распахивайте деревянную дверь, чтобы пустить внутрь свежий воздух.

Дополнительная дверь из мелкоячеистой металлической сетки — самый простой способ вентилирования помещения
Не помешает и обустройство вытяжки на потолке голубятни, которая вместе с охлаждением будет забирать и лишнюю влагу, а также, неприятные запахи.
Чтобы воздух внутри домика всегда был свежий, на уровне пола организуйте одно-два небольших зарешеченных окошка.
Отопление
Согласно рекомендациям опытных фермеров, отопление делать в голубятне не стоит, но необходимо позаботиться о питомцах и законопатить все щели, а также утеплить полы. В осенний и зимний период необходимо постоянно менять утепляющую подстилку внутри птичника, чтобы избежать ее отсыревания.

Сытые голуби спокойно перенесут мороз без дополнительного отопления птичника

Микроклимат в голубятне
Какой тип конструкции выбрать?
Существует несколько стандартных вариантов устройства голубятни
Чтобы выбрать правильный, обратите внимание на рекомендации по применению и обустройству
Навесная голубятня
Этот тип конструкции наиболее простой, но подходит исключительно для частного участка. Принцип устройства предельно простой — деревянная прямоугольная коробка крепится на наружную стену с небольшим отступом от края крыши. Стоит отметить, что навесная голубятня, столь популярная до недавнего времени, сегодня используется достаточно редко из-за целого ряда недостатков:
Климатические условия внутри такой конструкции мало чем отличаются от природных.
В этом случае голуби практически не защищены от хищных зверей.
Максимальное количество пар, которое можно содержать в таких условиях — 3.
Башенный птичник
Такие установки более практичны благодаря усовершенствованному типу конструкции. Их форма имеет 4,6,8 граней или же выполняется в виде сферы. Этот способ обустройства птичника отлично подходит для тех, кто только постоянно занимается разведением голубей. Среди достоинств голубятен этого типа отметим:
Привлекательный внешний вид, который легко соотнести с любым пейзажем ландшафта своего участка. Достаточное пространство для содержания того количества птиц, которое необходимо. Приемлемая высота конструкции — от 4 метров, что позволяет оформить ступенчатый вариант, очень удобных и для самих птиц, и для их владельца. В этом случае нижний этаж обустраивают под инвентарь, а все последующие слои — для птиц
Важно! При выборе этого способа учтите, что непременно потребуются затраты на его обустройство, порой достаточно существенные. Но результатом при этом станет очень практичная голубятня
Голубятня на чердаке
В частных домах довольно часто отдают предпочтение именно этому типу конструкции. Внутреннее ее обустройство в основном соответствует типовым птичникам, но высота ее не превышает 2,5 м. Принцип формирования заключается в разграничении проволочной сеткой, фанерными листами или досками выделенной площади. Наружная сторона чердака возле слухового окна строится под выгул птиц.
Типовой питомник
Этому виду конструкции птичника отдайте предпочтение для обустройства голубятни в городской местности. Нынешние производители этих питомников разрабатывают модели, рассчитанные на содержание разного количества особей. Большей популярностью пользуются типовые голубятни на 12 пар. Перед установкой, в случае, когда принято решение об использовании этого типа птичника, согласуйте все параметры с местной администрацией. 
В больших городах, как правило, сооружают типовые голубятни, размеры и формы которых согласовываются с местной администрацией.
Индивидуальный проект
В этом отношении практически отсутствуют какие-либо ограничения. Правильно соотнесите свои финансовые возможности, виды птиц, требуемые параметры, доступные материалы, и постройте оригинальную голубятню, ориентируясь исключительно на свою фантазию, подкрепленную необходимыми знаниями.

Основные требования к содержанию голубей
Большая часть требований заключается в создании правильных условий в голубятне и в соблюдении правил гигиены:
- на 1 птицу требуется выделить 0,5 кв. м площади пола и около 1 куб. м воздушного пространства;
- голубятник должен быть прочным и недоступным для других животных, таких как кошки, собаки и грызуны;
- в 1 группе должно состоять не более 25 особей;
- голубятня должна быть оборудована насестами;
- птичник должен быть сухим, без сквозняков, убранным, иметь достаточно света;
- нужно регулярно проводить дезинфекцию всех устройств, с которыми контактируют голуби (поилок, кормушек), а также самого помещения.

Гриндер «от Чапая» − краткий обзор
Гриндеры от Андрея Чапая уже стали именем нарицательным. Сотни и тысячи образцов шлифовальных машин «от Chapay» осели в мастерских умельцев России и ближнего зарубежья. Особенность ГЧ (гриндеров от Чапая) состоит в том, что они универсальны и создаются исходя из потребностей заказчика: для заточки ножей или обработки дерева, с определённым видом двигателя или без него. Существуют как мобильные версии для домашней обработки изделий, так и профессиональные модели.
Гриндер «от Чапая»− универсальный станок для обработки изделий сложной формы из металла, пластика и дерева
Можно купить изделие, что называется, «под ключ», а можно выбрать скромный набор инструментов и оборудования.
На данный момент самыми «ходовыми» являются следующие модели ГЧ: «ГЧ-10», «ГЧ-12», «ГЧ-16» (профессиональная серия), а также новые мобильные версии гриндера 610 серии «ГЧ610-63» и «ГЧ610-71» − изготавливаются с цинковым покрытием
Общие моменты, характерные для всех станков:
- Все сопрягаемые поверхности гриндера отшлифованы. Это помогает исключить перекосы во время хода ленты.
- Гриндеры идут без покраски и покрытия. Поверхности ГЧ (сокращ. гриндер от Чапая) работают на скольжение. Чтобы исключить коррозию изделия, достаточно периодически протирать его специальным маслом или силиконовым спреем.
- Уникальная конструкция прижимной площадки.
На последнем пункте хочется остановиться подробнее. Мастер придумал уникальную конструкцию этой площадки при одинаковом размере 165×50 мм, предусмотрено 2 позиции поворота основания и две позиции упора для станины.
Варианты поворота прижимного стола и крепления его на упор
Дополнительно в набор инструментов и оборудования входит колесо для установки вместо ведущего валика. Его рекомендуют использовать при обработке по металлу, когда приходится счищать большие объёмы краски или ржавчины.
Колесо для обтачки с полиуретановым покрытием, оно очень удобно при корректировке и шлифовке вогнутых спусков изделий
Подробно остановимся на одной из профессиональных моделей. ГЧ-16 изготовлен на усиленной поворотной станине с 2 стойками из листа толщиной 12 мм, обеспечивающей необходимую жёсткость и позволяющей быстро переводить гриндер в вертикальное или горизонтальное положение.
Гриндер «от Чапая» – ГЧ -16. Внешний вид:



В конструкции используется увеличенная шлифовальная лента − 1600−1800×50 мм. И достаточно мощный двигатель – 2,2 кВт. Станок обладает более высокой производительностью и идеально подходит для непрерывных работ на крупных промышленных производствах. Цена такого изделия на данный момент варьируется от 55 000 до 60 000 рублей.
Дополнительные требования
Голубятня не должна располагаться рядом со следующими объектами:
- свинарники;
- чужие голубятни;
- выгребные ямы;
- большие скопления людей;
- городские свалки и мусорные баки.
Если строение будет возводиться на собственном участке, вообще желательно поставить его как можно ближе к центру землевладения. В таком случае влияние соседей и их потенциально опасных факторов на голубей будет минимально.
Для пернатых представляет опасность все, с чем они могут столкнуться в процессе полета.
Особенно следует избегать:
- линий электропередач;
- многоэтажных зданий;
- высоких деревьев.
Деревья представляют опасность в основном лишь в непогоду. Их крупные ветви, оборвавшись под воздействием сильного ветра или тяжелого пласта снега, могут разрушить строение и повредить самих птиц.
Если иного места, кроме как под деревом, для размещения постройки нет, желательно хотя бы подпереть наиболее опасные ветви.
К линиям электропередач птицы привыкают, но не сразу. Если есть возможность, голубятня должна быть удалена от них хотя бы на 10 метров, чтобы птицы не задевали провода при приземлении.
Кормушки, поилки
В голубятне размещают кормушки — предпочтение отдается автоматическим моделям. Дополнительно рекомендуется использовать обычные кормушки — в них насыпают минеральные корма
Также требуются поилки — важно следить за качеством воды и регулярно ее менять. Для купания в голубятне устанавливают корыто
Лучшие голубятни получаются при строительстве с «нуля» — в этом случае удается воплотить в жизнь проект с раздельным содержанием особей разных пород и разного возраста. Готовое помещение выгоднее в финансовом отношении, но его приходится приспосабливать к имеющимся нуждам — добиться полной реализации желаемого удается не всегда.
Навесная голубятня
Навесное строение — самый бюджетный вариант. Такой тип конструкции используется в основном в частном секторе или в сельской местности.
Суть конструкции в том, что она крепится либо к крыше здания (если она плоская или с небольшим уклоном), либо к самой верхней части стены его второго (третьего) этажа.
Сама голубятня представляет собой короб с металлической сеткой и деревянной рамой. Внутри располагаются полки, есть также две дверцы: люк для птиц и дверца для чистки помещения человеком.
Крыша как таковая отсутствует. Все стены и верхняя часть короба выполнены из сетки-рабицы. Пол делается из досок.
Преимущества такого варианта:
- быстрое изготовление;
- с созданием справится даже новичок;
- можно разместить голубятню даже в том случае, если на участке для нее мало места;
- подходит для начинающих заводчиков;
- минимальная стоимость изготовления.
Тем не менее минусов и такой конструкции больше, чем плюсов:
Несмотря на простоту и скорость изготовления , короб оказывается неудобным для проживания птиц. Голуби в нем не защищены даже от дождя, что уж говорить о морозах, снеге, палящем солнце.
При желании, если верхний люк остается открытым, в постройку может проникнуть хищник (например, ласка или хищная птица). Голуби и их птенцы оказываются не защищены от всех присутствующих в природе опасностей. Из-за этого в навесных коробах наблюдается высокая смертность птенцов, а также взрослых животных.
Неудобное расположение. Из-за того, что к голубятне необходимо добираться либо через люк в крыше, либо при помощи приставной лестницы, убираться в ней и вообще наблюдать за животными оказывается очень тяжело
Это сказывается на уроне жизни питомцев: пернатые получают недостаточный уход и внимание, их клетка чистится слишком редко.
Сам заводчик может устать от постоянных перемещений на крышу и вовсе отказаться от разведения голубей. Особенно вариант неудобен для людей преклонного возраста, маломобильных лиц и тех, кто по состоянию здоровья не может постоянно пользоваться приставной лестницей.
В навесных голубятнях породистых птиц не разводят. Это попросту не практично: разведение не даст необходимых результатов из-за высокой смертности птенцов, к тому же, более слабые породистые пернатые легко могут погибнуть в таких некомфортных условиях.
Чердачная конструкция
Проще и удобнее обустроить голубятню на чердаке имеющегося здания (сарая, придомовой пристройки). Трудозатраты в этом случае сводятся к минимуму — необходимо построить зону выгула и доработать помещение (утеплить, оборудовать гнезда). Такой вариант снижает финансовые расходы. Птицу можно содержать на чердаке круглогодично, уход за ней ничем не затруднен.
Обустройство чердачной голубятни
Изначально чердачное помещение не отвечает необходимым для содержания голубей требованиям – придется его подготовить к заселению птицы.

Пол
Прежде всего, стоит убедиться, что перекрытие выдержит нагрузку – при необходимости его нужно усилить. После завершения этого этапа на накат из досок укладывают лаги. Для чистового напольного покрытия подходят плотно подогнанные одна к другой доски. Между черновым и чистовым полом размещают слой утеплителя.
Крыша, окна
При необходимости проводят работы по гидроизоляции кровли. Если она плоская и имеет металлическое покрытие, потолок обшивают, прокладывают теплоизоляционный материал – если этого не сделать, то летом помещение будет сильно нагреваться, а зимой – быстро остывать. Оптимальная высота потолка – 2 м. Окна размещают на южной и восточной сторонах. Суммарная их площадь – 1/10 от площади пола (этого достаточно для обеспечения нормального уровня естественного освещения).
Стены
Чтобы чердак стал пригоден для содержания птицы, собирают каркас для стен из стоек и стропил, используя брус 150 мм (стойки фиксируют на балках перекрытия). Каркас обшивают досками, фанерными листами или плитой (ОСБ, ДВП). Для обеспечения теплоизоляции используют утеплитель (например, минеральную вату) или засыпку. Все имеющиеся стыки шпаклюют.

Летки и зона выгула
Для взлета/приземления птиц предусматривают летки (окошки с площадкой). При разведении пород спортивной направленности отверстия размещают на высоте 1.5 м от пола. Если отдано предпочтение мясным породам, то этот параметр уменьшают до 20-30 см. Летков должно быть несколько. Их размер, зависит от породы (высота – до 25 см, ширина – до 20 см).
Зону выгула чаще всего выполняют в форме квадрата. Для ее сооружения подходит мелкоячеистая сетка. Пол устилают тонкими листами влагостойкой фанеры.
Вентиляция
«Правильная» голубятня обязательно обеспечивается вентиляцией и вытяжкой. Для проветривания стоит со стороны входа предусмотреть дополнительную сетчатую дверь – ее располагают изнутри помещения сразу за сплошной дверью. Источником воздуха также становятся закрытые сеткой небольшие окошки (продухи), размещенные на уровне пола.
Вытяжка необходима для удаления неприятных запахов и лишней влаги (при влажности воздуха свыше 65-70% повышается риск развития грибковых заболеваний). Размещают ее под потолком.

Отопление
Если помещение утеплено, все щели заделаны, то в отоплении необходимости не возникает – голуби переносят температуру до -10°C, допускается кратковременное ее понижение до -25°C. Замечено, что у птиц, зимующих в неотапливаемых помещениях, иммунитет сильнее, чем у тех, что обитают в теплых голубятнях. Потомство у «закаленных» голубей крепче. В период сильных холодов нужно:
- повысить питательность рациона (добавить ячмень, семечки, овес);
- давать теплую воду;
- увеличить продолжительность светового дня до 15 часов с помощью искусственного освещения (чтобы голуби успели хорошо наесться до периода покоя).
При температуре около 0°C важно почаще менять подстилку и контролировать вентиляцию – помещение сильно отсыревает, что может привести к болезням поголовья
Освещение
Для контроля продолжительности светового дня в голубятне размещают источники искусственного света. Электрическое освещение обеспечивается лампами накаливания – их монтируют так, чтобы была равномерно охвачена вся площадь помещения, но стеллажи с гнездами находились в уютном затенении.






























